最大转速:8000min-1
额定转矩:0.8Nm
最大径向位移:± 0.3 mm
最大轴向位移:± 0.5mm
最大角度偏差:± 4°
瞬间惯性:23kg m2 x 10-7
最大转矩:120Ncm
|
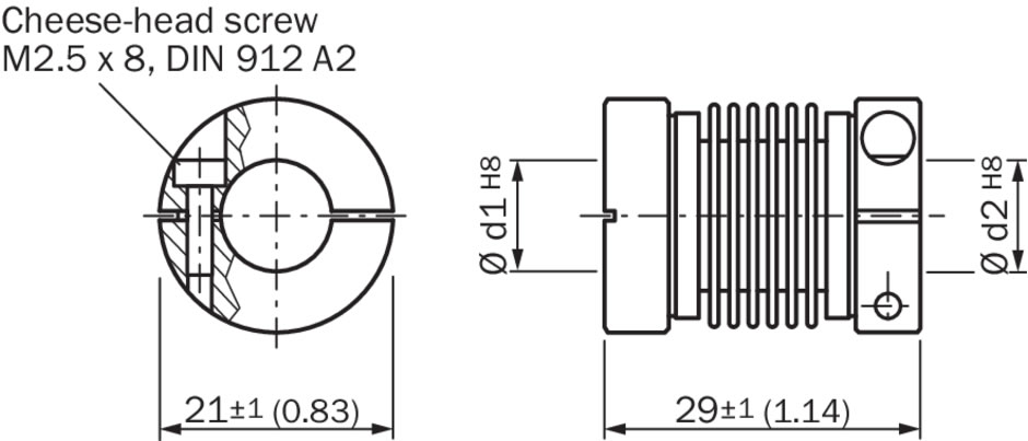
钢制弹簧联轴器在一些需要高扭距刚性和高灵敏度的应用场合是一款理想产品。得益于它们灵活的设计,这些联轴器能在轴向,径向和有夹角的位移的情况下表现良好。 |
|
|
技术参数 |
|
| 最大转速 | 8000min-1 |
| 额定转矩 | 0.8Nm |
| 最大径向位移 | ± 0.3 mm |
| 最大轴向位移 | ± 0.5mm |
| 最大角度偏差 | ± 4° |
| 瞬间惯性 | 23kg m2 x 10-7 |
| 最大转矩 | 120Ncm |
| 重量 | 25g |
| 材料 | 不锈钢波纹管 |
| 内直径(可选) | 6,8,10,12mm |
| 尺寸 | |
![]() |
|