专注工业位置测量产品以及解决方案的供应商

+86 21-39520660

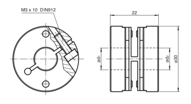
不锈钢弹簧盘联轴器 8603

最大转速:12000min-1

额定转矩:0.6Nm

最大径向位移:± 0.3 mm

最大轴向位移:± 0.4 mm

最大角度偏差:± 2.5°

扭力:50Nm/rad

最大转矩:120Ncm

  • 技术参数
  • 安装尺寸

钢制弹簧联轴器在一些需要高扭距刚性和高灵敏度的应用场合是一款理想产品。得益于它们灵活的设计,这些联轴器能在轴向,径向和有夹角的位移的情况下表现良好。

技术参数

最大转速 12000min-1
额定转矩 0.6Nm
最大径向位移 ± 0.3 mm
最大轴向位移 ± 0.4 mm
最大角度偏差 ± 2.5°
扭力 50Nm/rad
最大转矩 120Ncm
重量 28g
材料 不锈钢弹簧,锌合金两端,铝,塑料
内直径(可选) 6,8,10,12mm
 
尺寸