Focus on suppliers of industrial location measurement products and Solutions

+86 21-39520660

Economy BSL-GA60

Measuring range: 0 m ... 1.2m

Movement speed: up to 4 m / s

Acceleration: up to 40 m / s2

Roller circumference: 150 mm

Linear error: type 0,1% / 0,5%

Electrical interface: incremental / TTL / RS-422 / absolute encoder optional

  • Parameter
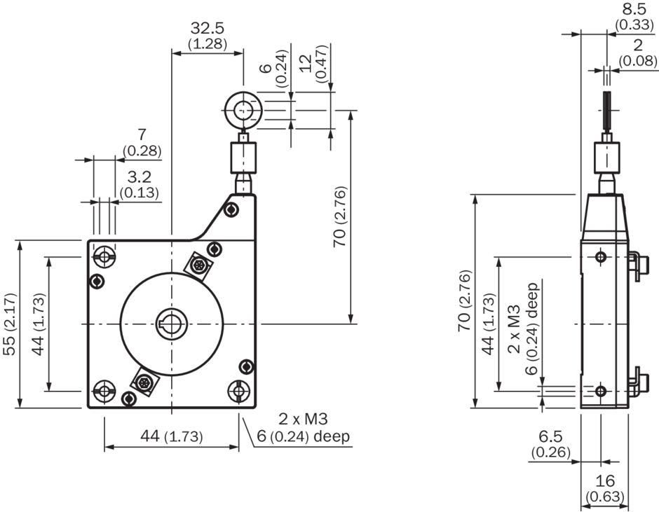
  • Size
  • Product Type: Pull Box
  • Description: Pull-wire encoder for servo flange with 6 mm shaft, measuring range 0 m ... 1.2 m
  • Scope of delivery: without encoder
  • Measuring range: 0 m ... 1.2 m
  • Linearity: ≤ ± 2 mm
  • Weight: 80 g (cable box)
  • Wire rope material: highly flexible 316 stainless steel wire rope
  • Housing material: aluminum alloy
  • Cord length per loop: 150 mm
  • Pull cord actual length: 1.2 m
  • Spring resilience: 1 N ... 1.4 N 1)
  • Pull rope diameter: 0.6 mm
  • Pull rope acceleration: 5 m / s²
  • Resolution: To determine the system resolution, use the following formula:
  • Cable pull length per turn / steps per turn = resolution of pull wire + encoder combination
  • Operating ambient temperature: –30 ° C ... +70 ° C
  • Pull box enclosure protection grade: IP50
  • Cable box life: Typ. 5000,000 cycles 2) 3)
  • 1) This value is measured at an ambient temperature of 25 ° C. When the temperature changes, the value may deviate.
  • 2) The average value depends on the load type.
  • 3) The service life depends on the type of load. Influencing factors include: environmental conditions, installation, measurement range used, moving speed, and acceleration.