Focus on suppliers of industrial location measurement products and Solutions

+86 21-39520660

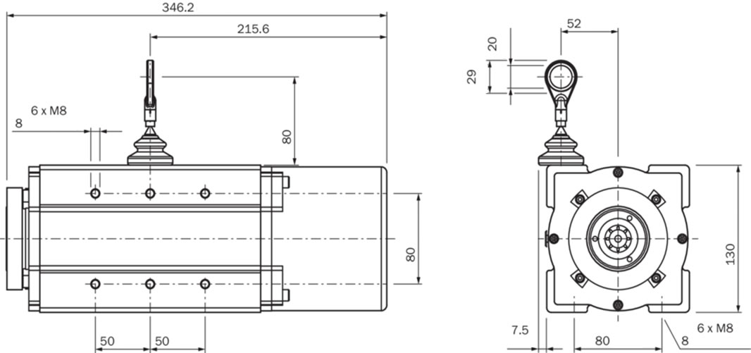
Precision BSL-MA130-30

Measuring range: 0 m ... 30 m

Movement speed: up to 4 m / s

Acceleration: up to 40 m / s2

Wheel circumference: 333 mm

Linear error: type 0,1% / 0,5%

Electrical interface: incremental / TTL / RS-422 / absolute encoder optional

  • Parameter
  • Size
  • Product type: Linear displacement measuring mechanism
  • Description: Pull-wire encoder for servo flange with 6 mm shaft, measuring range 0 m ... 30 m
  • Scope of delivery: without encoder
  • Measuring range: 0 m ... 30 m
  • Linearity: ≤ ± 20 mm
  • Hysteresis: ≤ 6 mm
  • Weight: 6.3 kg (cable box)
  • Cord material: highly flexible 316 stainless steel cord
  • Cable box housing material: aluminum (anodized), die-cast zinc
  • Cord length per loop: 333 mm
  • Pull rope actual length: 30.2 m
  • Spring resilience: 15 N ... 20 N 1)
  • Pull rope diameter: 0.8 mm
  • Speed: 10 m / s
  • Resolution: To determine the system resolution, use the following formula:
  • Cable pull length per turn / steps per turn = resolution of pull wire + encoder combination
  • Operating ambient temperature: –30 ° C ... +70 ° C
  • Pull box enclosure protection grade: IP31
  • Cable box life: Typ. 500,000 cycles 2) 3)
  • 1) This value is measured at an ambient temperature of 25 ° C. When the temperature changes, the value may deviate.
  • 2) The average value depends on the load type.
  • 3) The service life depends on the type of load. Influencing factors include: environmental conditions, installation, measurement range used, moving speed, and acceleration.