专注工业位置测量产品以及解决方案的供应商

+86 21-39520660

增量型编码器 AH80

行业应用:纺织机械、折弯机械、印刷机械、冶金行业、电梯

产品结构:空心轴

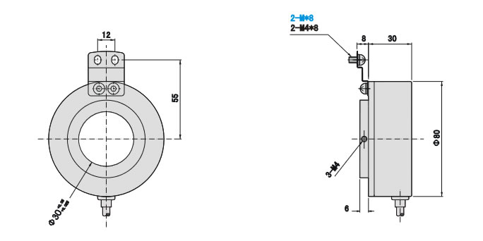
外径(mm):80mm

轴套孔径(mm):30mm,28mm,25mm,20mm

分辨率(CPR):1-3600 CPR

工作电压:10 ... 30 V DC 或 5 V DC ± 5%

输出电路:推挽,增量型 (RS422)

  • 技术参数
  • 安装尺寸

一般特性

  • 检测类型:光电采样
  • 脉冲数:最大 50000
  • UL文件号:E223176

功能安全性参数

  • 平均失效时间(天):140 a
  • 使用寿命(...月...天):20 a
  • 诊断范围:0 %

电气特性

  • 工作电压:10 ... 30 V DC 或 5 V DC ± 5% (请参见订购信息中的“输出电路”)
  • 空载电流:最大 70 mA

输出

  • 输出类型:推挽,增量型 (RS422) (请参见订购信息中的“输出电路”)
  • 电压降:< 2,5 V (推挽式,增量式)
  • 工作电流:单通道最大 40 mA ,短路保护,反极性保护 (推挽式,增量式)
  • 单通道最大 20 mA ,短路保护,反极性保护 (RS 422,递增)
  • 输出频率:最大 200 kHz
  • 上升时间:600 ns
  • 接通延时:600 ns

连接

  • 连接器:9416, 12-pin; 9416L, 12-pin
  • 电缆:∅6.5 mm, 4 x 2 x 0.14 mm2, 1 m

符合标准

  • 防护等级:DIN EN 60529, IP65
  • 气候条件:DIN EN 60068-2-78
  • 辐射干扰:EN 61000-6-4:2007/A1:2011
  • 抗干扰:EN 61000-6-2:2005
  • 抗冲击:DIN EN 60068-2-27, 100 g, 6 ms
  • 抗振动:DIN EN 60068-2-6, 10 g, 10 ... 2000 Hz

许可和认证

  • UL认证:cULus 认证,通用,Class 2 电源
  • 最大允许的周围温度:max. 60 °C (max. 140 °F)

周围环境

  • 工作温度:-5 ... 70 °C (23 ... 158 °F)
  • 移动电缆:-20 ... 70 °C (253 ... 353 K)
  • 固定电缆:储存温度:-40 ... 80 °C (-40 ... 176 °F)

机械特性

  • 外壳:铝
  • 法兰:铝
  • 轴:不锈钢 1.4305/AISI 303
  • 带绝缘套管(作为选件提供),采用 PPS GF40 材料制成,内径为 16 mm、25 mm、30 mm、38 mm,绝缘电压为 3 kV(请参见类型代码)
  • 重量:大约 900 g
  • 旋转速度:最大 3500 min -1
  • 起动转矩:≤ 6 Ncm
  • 角度偏差:1 °
  • 轴向偏差:最大 1 mm