专注工业位置测量产品以及解决方案的供应商

+86 21-39520660

拉线编码器 SL8003

测量范围:0 m ... 3m

移动速度:最大 3 m/s

加速度:最大 2.4g

滚轮周长:200 mm

线性误差:类型 0,1 % / 0,5 %

电气接口:增量式 / TTL / RS-422/绝对值编码器可选

  • 技术参数
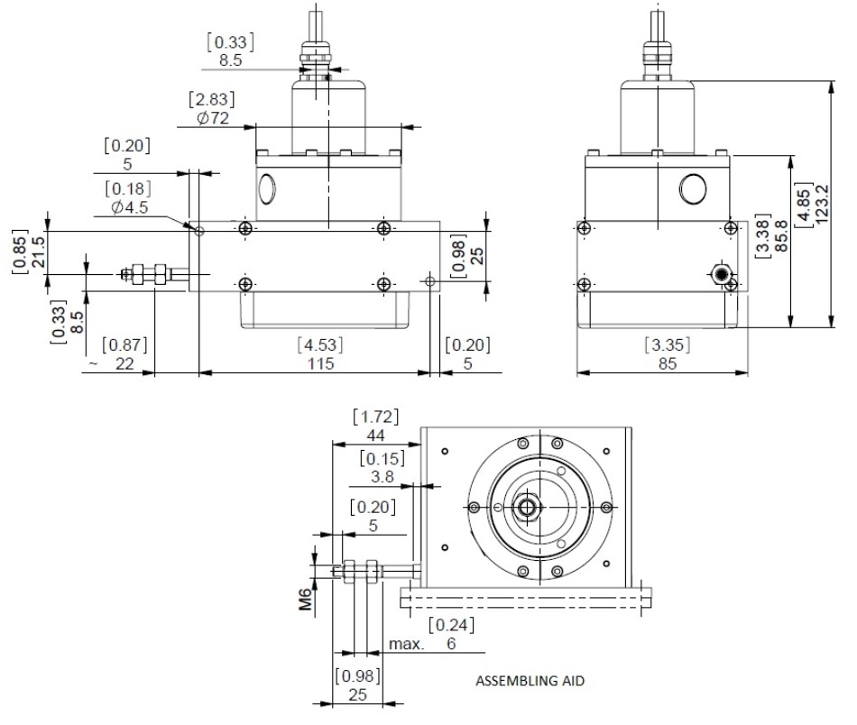
  • 安装尺寸

一般数据

  • 电源:8 – 32 VDC
  • 启动时间:<500 ms
  • 工作温度:-20 °C (-4 °F) - +80 °C (+176 °F)
  • 重量:1280 g (2.82 lb)
  • 外壳防护等级 (编码器):IP64 / IP65
  • EMC:发射干扰:DIN EN 61000-6-4
  • EMC:抗干扰:DIN EN 61000-6-2

传感器数据

  • 技术:磁电 (≤ 0.09°)
  • 精度:±0.006 % FSO
  • 重复性:±0.003 % FSO
  • 分辨率 单圈:13 位
  • 分辨率 多圈:4 位
  • 近似线性分辨率:24.4 µm
  • 输出码制:模拟量电压信号 0 – 10 V

接口

  • 通讯接口:电压型模拟量
  • 手动功能:测量位置的起点和终点可以通过电缆或连接器进行设置

电气数据

  • 功耗:Desc
  • 最小负载电阻:5 kΩ
  • 模拟量精度:@ 10 V = ±10 mV (在正常的供电情况下)
  • 建立时间:32ms(从最小值到最大值的跳跃)
  • 反极性保护:是
  • 短路保护:是
  • MTTF:257.6 年@ 40 °C

机械数据

  • 最大测量长度:6.00 m
  • 线毂周长:200 mm
  • 线绳材质:不锈钢
  • 线绳直径:0.54 mm
  • 编码器外壳材料:钢
  • 拉线盒外壳的材料:铝 / 塑
  • 线位移的最大速度:3 m/s
  • 线绳最大加速度:2.4 g
  • 最大拉出力:8.0 N
  • 最小回缩力:3.0 N
  • 动作寿命:不可用
  • 线绳连接:M制螺纹

连接

  • 连接方向:轴向
  • 连接方向:径向 0 / 轴向
  • 电缆长度:10 m [394"]
  • 导线截面:0.14 mm² / AWG 26
  • 材料 / 类型:PVC
  • 电缆直径:6 mm (0.24 in)
  • 最小弯曲半径:46 mm (1.81") 固定, 61 mm (2.4") 弯曲