专注工业位置测量产品以及解决方案的供应商

+86 21-39520660

电感式传感器 BI10-M30-34

产品类型:电感式传感器

安装方式:埋入式

检测距离(mm):10mm

确保距离(mm):0...8mm

输出方式:2线AC/DC;常闭

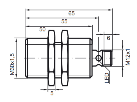
外形规格(圆柱):M30*1.5*50mm

防护等级:IP67

  • 技术参数
  • 安装尺寸
  • 产品功能:标准功能
  • 安装方式:埋入式
  • 检测距离:10mm
  • 确保距离:0…8mm
  • 标准标靶:Fe 30*30*1t
  • 输出方式:2线AC/DC
  • 输出状态;NC
  • 残留电压:AC:≤10V DC:≤8V
  • 电源电压:20…250VAC/DC
  • 负荷电流:AC:≤300mA DC:≤100mA
  • 开关频率:AC:20Hz DC:500Hz
  • 开关点偏移:≤±10%
  • 迟滞范围:1…20%
  • 重复误差:≤3%
  • 外形规格(圆柱):M30*1.5*50mm
  • 环境温度:-25℃…70℃
  • 环境湿度:35-95%RH
  • 漏电流:AC:≤3mA DC:≤1mA
  • 冲击耐压:1000V/AC 50/60Hz 60s
  • 绝缘阻抗:≥50MΩ(500VDC)
  • 复振幅:1.5mm 10…50Hz(X,Y,Z方向各2小时)
  • 防护等级:IP 67
  • 输出指示:黄色LED
  • 外壳材料:镍铜合金
  • 产品认证:CE
  • 连接方式:M12连接器
尺寸图

尺寸图

连接图

接线图