电感式传感器 BN15-M30-13
产品类型:电感式传感器
安装方式:非埋入式
检测距离(mm):15mm
确保距离(mm):0...12mm
输出方式:PNP;常闭
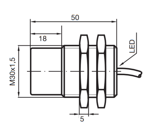
外形规格(圆柱):M30*1.5*50mm
防护等级:IP67
-
产品功能:标准功能
-
安装方式:非埋入式
-
检测距离:15mm
-
确保距离:0…12mm
-
标准标靶:Fe 45*45*1t
-
输出方式:PNP
-
输出状态;NC
-
残留电压:≤2.5V
-
电源电压:10…30VDC
-
负荷电流:≤200mA
-
消耗电流:≤15mA
-
开关频率:300Hz
-
开关点偏移:≤±10%
-
迟滞范围:1…20%
-
重复误差:≤3%
-
外形规格(圆柱):M30*1.5*50mm
-
环境温度:-25℃…70℃
-
环境湿度:35-95%RH
-
保护回路:逆极性保护
-
绝缘阻抗:≥50MΩ(500VDC)
-
复振幅:1.5mm 10…50Hz(X,Y,Z方向各2小时)
-
防护等级:IP 67
-
输出指示:黄色LED
-
外壳材料:镍铜合金
-
产品认证:CE+UL
-
连接方式:成型电缆
尺寸图
接线图