电感式传感器 BI0.8-M5-10V3
产品类型:电感式传感器
安装方式:埋入式
检测距离(mm):0.8mm
确保距离(mm):0...0.64mm
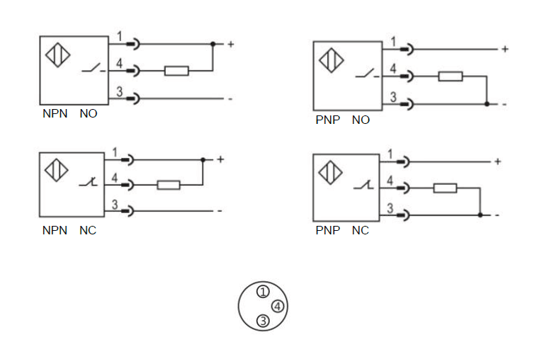
输出方式:NPN;常开
外形规格(圆柱):M5*0.5*40mm
防护等级:IP67
-
产品功能:标准功能
-
安装方式:埋入式
-
检测距离:0.8mm
-
确保距离:0…0.64mm
-
标准标靶:Fe 5*5*1t
-
输出方式:NPN
-
输出状态:NO
-
残留电压:≤2.5V
-
电源电压:10…30VDC
-
负荷电流:≤100mA
-
消耗电流:≤10mA
-
开关频率:2000Hz
-
开关点偏移:≤±10%
-
迟滞范围:1…20%
-
重复误差:≤3%
-
外形规格(圆柱):M5*0.5*40mm
-
环境温度:-25℃…70℃
-
环境湿度:35-95%RH
-
保护回路:逆极性保护
-
绝缘阻抗:≥50MΩ(500VDC)
-
耐振动:复振幅1.5mm 10…50Hz(X,Y,Z方向各2小时)
-
防护等级:IP 67
-
输出指示:红色LED
-
外壳材料:不锈钢
-
产品认证:CE
-
连接方式:M8连接器
尺寸图
连接图