行业应用:纺织机械、折弯机械、印刷机械、冶金行业、电梯
产品结构:空心轴
外径(mm):58mm
输出信号:RS485,自由协议和MODBUS RTU协议
最大圈数:12位
工作电压:10-30Vdc 或5Vdc 极性保护
防护等级:IP65;IP68可选
工作电压:10-30Vdc 或5Vdc 极性保护
消耗电流:< 110mA(24V电源) < 190mA(12V电源)
输出信号:RS485,可设定长度、角度应用输出
输出负载能力:≤ 400欧姆,标准工作200-250欧姆
线性分辨度:1/4096
最大圈数:4096
工作温度:最大圈数:-25—70℃ 编程时温度范围:0℃~+70℃
储存温度:-40—100℃
防护等级:IP65
允许转速:2400转/分
输出刷新周期:<1.4ms
连接电缆:1米8芯屏蔽电缆,或9芯插座
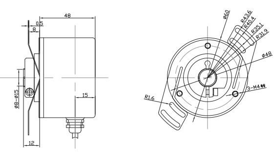
外形特征:夹紧同步一体式或盲孔轴套法兰,金属外壳,密封双轴承结构(见外形尺寸附图)
转轴:夹紧同步一体式法兰轴径10mm或6mm ,长度20mm,含D型平面,盲孔轴套14mm(以内可选),深20mm,不锈钢材料
盲孔型