专注工业位置测量产品以及解决方案的供应商
行业应用:纺织机械、折弯机械、印刷机械、冶金行业、电梯
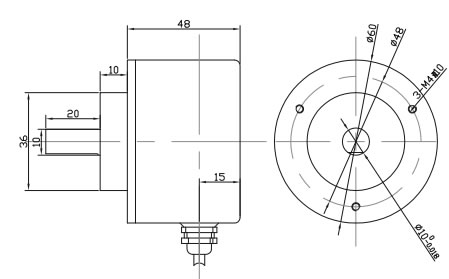
产品结构:实心轴
外径(mm):58mm
输出信号:CANopen总线,格雷码或二进制
最大圈数:25位
工作电压:10-30Vdc 或5Vdc 极性保护
防护等级:IP68;断电记忆,100%抗磁场干扰性
一般特性
功能安全性参数
电气特性
接口
连接
机械特性
符合标准
许可和认证
周围环境
夹紧法兰
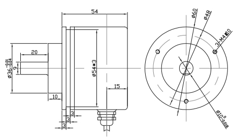
夹紧同步法兰
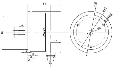
同步(伺服)法兰
外形尺寸:空心轴;58mm
圈数:单圈16位
电压及输出:10-30Vdc或5Vdc; RS485和4-20mA双输出
外形尺寸:实心轴,38mm
圈数:多圈25位
电压及输出:10-30Vdc;PROFIBUS,格雷码或二进制
外形尺寸:空心轴;38mm
电压及输出:10-30Vdc或5Vdc;RS485,自由协议和MODBUS RTU协议
Copyright © 2009-2022 上海锝秉工控设备有限公司 版权所有