专注工业位置测量产品以及解决方案的供应商

+86 21-39520660

RS48V 单圈绝对值编码器

行业应用:纺织机械、折弯机械、印刷机械、冶金行业、电梯

产品结构:实心轴

外径(mm):58mm

输出信号:RS485,自由协议和MODBUS RTU协议

最大圈数:12位

工作电压:10-30Vdc 或5Vdc 极性保护

防护等级:IP65;IP68可选

  • 技术参数
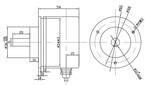
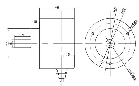
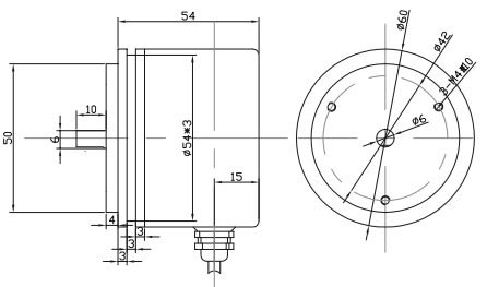
  • 安装尺寸

工作电压:10-30Vdc 或5Vdc  极性保护

消耗电流:< 110mA(24V电源) < 190mA(12V电源)

输出信号:RS485,可设定长度、角度应用输出

输出负载能力:≤ 400欧姆,标准工作200-250欧姆

线性分辨度:1/4096

最大圈数:4096

工作温度:最大圈数:-25—70℃ 编程时温度范围:0℃~+70℃

储存温度:-40—100℃

防护等级:IP65

允许转速:2400转/分

输出刷新周期:<1.4ms

连接电缆:1米8芯屏蔽电缆,或9芯插座

外形特征:夹紧同步一体式或盲孔轴套法兰,金属外壳,密封双轴承结构(见外形尺寸附图)

转轴:夹紧同步一体式法兰轴径10mm或6mm ,长度20mm,含D型平面,盲孔轴套14mm(以内可选),深20mm,不锈钢材料

夹紧法兰

夹紧同步法兰

夹紧同步法兰

同步(伺服)法兰