安全光栅 GL1485-0408-12v5
产品类型:安全光栅
检测距离(mm):0-4000mm
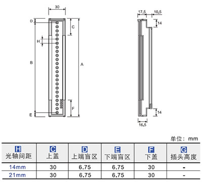
光轴间距(mm):7.5mm
光轴数:199
工作电压:24VDC±10%之间
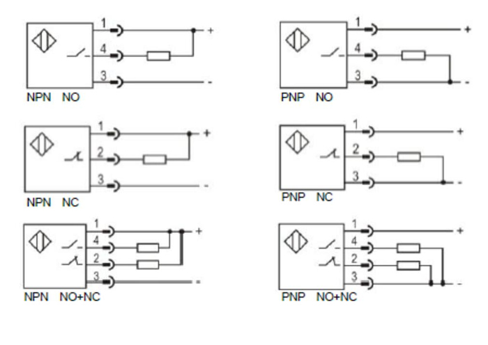
输出信号:PNP;常开
防护等级:IP67
-
光轴间距(mm):7.5
-
光轴数:199
-
检测距离:0~4m
-
输出方式:PNP
-
检测高度(mm):1485
-
常开常闭:常开
-
保护高度(mm):60~2000mm
-
总长(mm):1499
-
反应时间:最大20ms
-
输出类型:2路输出
-
电源电压:24VDC±10%之间
-
截面尺寸:26.4×21.7mm
-
防护等级:IP67
-
环境温度:环境温度:-25 ... 70 °C (-13 ... 158 °F)
-
储存温度:-40 ... 85 °C (-40 ... 185 °F)
-
外壳:聚碳酸酯;光学端面;PUMA
尺寸图
接线图