专注工业位置测量产品以及解决方案的供应商

+86 21-39520660

安全光栅 GL285-0408-10v5

产品类型:安全光栅

检测距离(mm):0-4000mm

光轴间距(mm):7.5mm

光轴数:39

工作电压:24VDC±10%之间

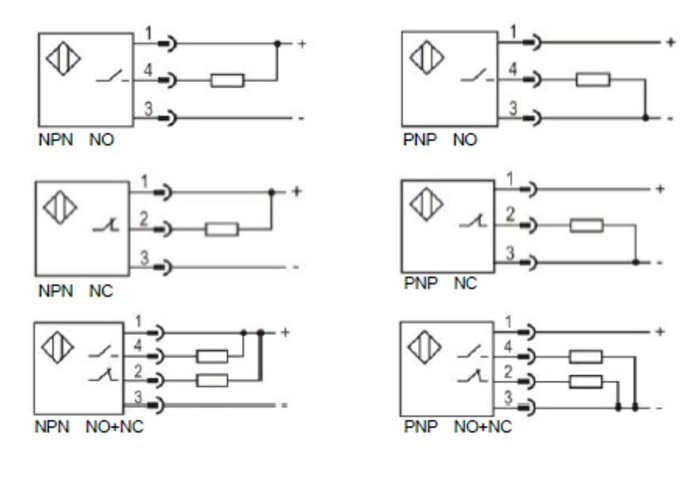
输出信号:NPN;常开

防护等级:IP67

  • 技术参数
  • 安装尺寸
  • 光轴间距(mm):7.5
  • 光轴数:39
  • 检测距离:0~4m
  • 输出方式:NPN
  • 检测高度(mm):285
  • 常开常闭:常开
  • 保护高度(mm):60~2000mm
  • 总长(mm):299
  • 反应时间:最大20ms
  • 输出类型:2路输出
  • 电源电压:24VDC±10%之间
  • 截面尺寸:26.4×21.7mm
  • 防护等级:IP67
  • 环境温度:环境温度:-25 ... 70 °C (-13 ... 158 °F)
  • 储存温度:-40 ... 85 °C (-40 ... 185 °F)
  • 外壳:聚碳酸酯;光学端面;PUMA
尺寸图

尺寸图

连接图

接线图