专注工业位置测量产品以及解决方案的供应商

+86 21-39520660

激光测距传感器 DL100000-12v5

产品类型:激光测距传感器

检测距离(mm):0-100000mm

光点大小:20mm

反应时间:0.5ms

工作电压:12至24VDC±10%之间

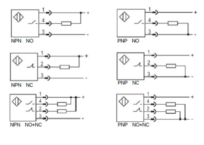
输出信号:PNP;常开

防护等级:IP67

  • 技术参数
  • 安装尺寸
  • 类型:反射型
  • 输出类型:PNP
  • 检测距离:100000mm
  • 光点大小:20mm
  • 光源:大功率红色激光
  • 被检测物体:不透光或半透光物体
  • 电源电压:12至24VDC±10%之间
  • 反应时间:0.5ms
  • 灵敏度调节:按键设定
  • 动作输出:LIGHT-ON/DARK-ON
  • 指示灯:输出及电源:红色LED;稳定操作:绿色LED
  • 尺寸:31*22*11
  • 防护等级:IP67
  • 环境温度:环境温度:-25 ... 70 °C (-13 ... 158 °F)
  • 储存温度:-40 ... 85 °C (-40 ... 185 °F)
  • 外壳:聚碳酸酯;光学端面;PUMA
尺寸图

尺寸图

连接图

接线图