光纤传感器 UL520-12v5
产品类型:光纤传感器
反应时间:100μs(HIGH SPEED)
光源:红外光二极管LED管体
检测方式:光强度
工作电压:10至30VDC±10%之间
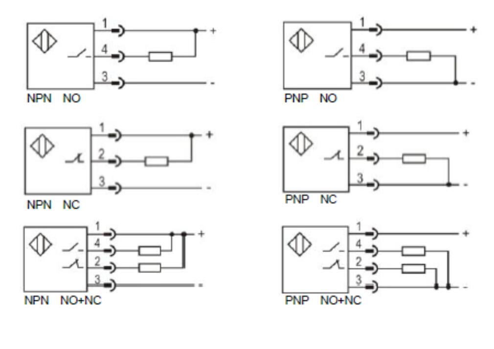
输出信号:PNP;常开
防护等级:IP67
-
类型:电缆型
-
输出类型:PNP
-
电源电压:10~30VDC
-
光源:红外光二极管LED管体
-
反应时间:100μs(HIGH SPEED)
-
检测方式:光强度
-
动作输出:LIGHT-ON/DARK-ON(开关选择)
-
尺寸:63*36*10
-
防护等级:IP67
-
环境温度:环境温度:-25 ... 70 °C (-13 ... 158 °F)
-
储存温度:-40 ... 85 °C (-40 ... 185 °F)
-
外壳:聚碳酸酯;光学端面;PUMA
尺寸图
接线图