反射型光电传感器 ML300-F2-10-V3
产品类型:光电传感器
检测距离(mm):0-300mm
光源:红外LED
光斑尺寸:300mm时,约Φ30mm
工作电压:10至30VDC±10%之间
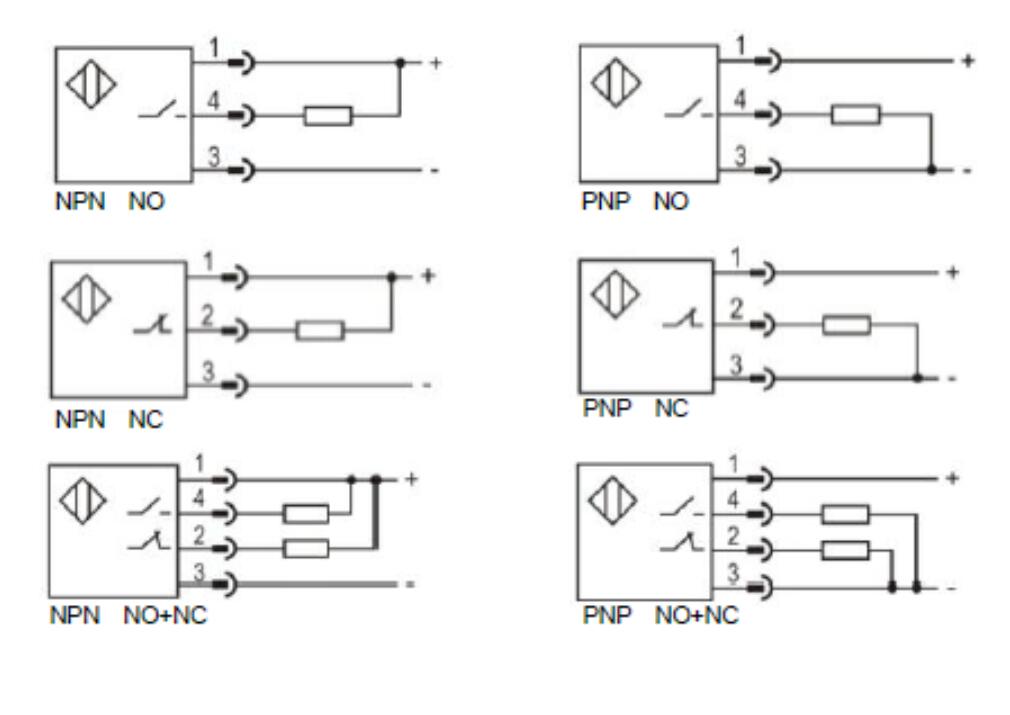
输出信号:NPN;常开
防护等级:IP67
-
类型:反射型
-
输出类型:NPN
-
特点:中距离型
-
电缆类型:M8连接器(4pin)
-
检测距离:300mm
-
光斑尺寸:300mm时,约Φ30mm
-
光源:红光LED
-
电源电压:10至30VDC±10%之间
-
反应时间:0.5ms
-
灵敏度调节:四圈循环式电位器
-
动作输出:LIGHT-ON/DARK-ON
-
指示灯:输出及电源:红色LED;稳定操作:绿色LED
-
尺寸:31*20*11
-
防护等级:IP67
-
环境温度:环境温度:-25 ... 70 °C (-13 ... 158 °F)
-
储存温度:-40 ... 85 °C (-40 ... 185 °F)
-
外壳:聚碳酸酯;光学端面;PUMA
尺寸图
接线图