反射型光电传感器 ML500-F1-10
产品类型:光电传感器
检测距离(mm):0-500mm
被检测物体:不透光物体
目标检测物体大小:100mm×100mm白纸
工作电压:12至24VDC±10%之间
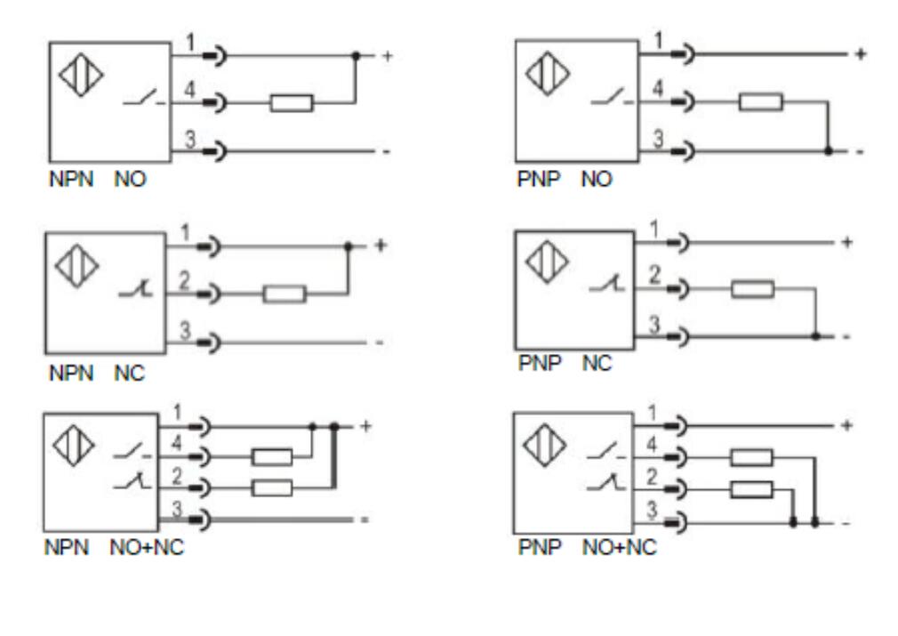
输出信号:NPN;常开
防护等级:IP67
-
类型:反射型
-
输出类型:NPN
-
检测距离:500mm
-
被检测物体:不透光物体
-
目标检测物体大小:100mm×100mm白纸
-
光源:红光
-
电源电压:12至24VDC±10%之间
-
反应时间:2.5ms Max.
-
灵敏度调节:单圈旋钮调节
-
动作输出:LIGHT-ON/DARK-ON
-
指示灯:输出及电源:红色LED;稳定操作:绿色LED
-
尺寸:31*21*11
-
防护等级:IP67
-
环境温度:环境温度:-25 ... 70 °C (-13 ... 158 °F)
-
储存温度:-40 ... 85 °C (-40 ... 185 °F)
-
外壳:聚碳酸酯;光学端面;PUMA
尺寸图
接线图